Type B Residual Current Sensors (RCS) are advanced electrical safety devices designed to provide comprehensive protection against various types of electrical faults, including both AC and DC residual currents. They are a critical component of modern electrical systems, especially those involving renewable energy sources and sensitive electronic equipment.
Type B Residual Current Sensors are advanced safety components that offer comprehensive protection against a wide range of residual current faults, including AC, pulsating DC, and smooth DC residual currents. Their high sensitivity, dual-slope detection, and compatibility with diverse electrical systems make them essential for enhancing electrical safety, especially in applications involving renewable energy and sensitive electronic equipment.
| Model | Corresponding standards | DC trigger threshold | AC trigger threshold |
| HYCA-07/PD | IEC62752 | 6mA | 30mA |
|
Electrical data – Ratings: |
||||
|
Action current |
Unit | Min. | Typ | Max. |
|
Operating current AC |
mA | 20.0 | 22.8 | 26.0 |
|
Operating current A0 |
mA | 11.0 | 15.0 | 30.0 |
|
Operating current A90 |
mA | 10.0 | 18 | 30.0 |
|
Operating current A135 |
mA |
10 | 24 | 35 |
|
Operating current 2PDC |
mA |
3.5 | 5 | 7 |
|
Operating current 3PDC |
mA |
3.1 | 4.6 | 6.2 |
|
Operating current S-DC |
mA | 3 | 4.6 | 6 |
|
Operating current F |
mA |
18 | 24 | 38 |
|
|
||||
|
Operating time |
Unit | Min | Typ | Max |
| Limit values of break time@30mA AC | ms | 60 | ||
|
Limit values of break time@60mA AC |
ms |
30 | ||
|
Limit values of break time@150mA AC |
ms |
15 | ||
| Limit values of break time@5-100A AC | ms |
15 | ||
| Limit values of break time@42mA A0 | ms |
38 | ||
| Limit values of break time@84mA A0 | ms |
30 | ||
| Limit values of break time@120mA A0 | ms |
25 | ||
| Limit values of break time@42+6mA ADC | ms | 38 | ||
| Limit values of break time@84+6mA ADC | ms |
30 | ||
| Limit values of break time@210+6mA ADC | ms |
25 | ||
| Limit values of break time@6mA S-DC | ms |
120 | ||
| Limit values of break time@60mA S-DC | ms |
25 | ||
| Limit values of break time@300mA S-DC | ms |
25 | ||
| Limit values of break time@60mA 2PDC/3PDC | ms |
25 | ||
| Limit values of break time@120mA 2PDC/3PDC | ms |
20 | ||
| Limit values of break time@3000mA 2PDC/3PDC | ms |
20 | ||
| Limit values of break time@5-100A 2PDC/3PDC | ms | 15 | ||
| Limit values of break time@210mA F | ms | 15 | ||
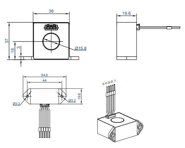
Dimensions
| Mechanical dimension(for reference only) |
![]() |
Standards


Tel:13968747975
E-mail: bethy@heyiele.com
Add:(Zhejiang Lierde Relay Co., Ltd.) Xinguang Ind. Zone, Liushi Town, Wenzhou, Zhejiang, China